Пружамо пуни асортиман преокретања статичких решења за статичке бртве, који покривају стандардне посебне производе опште намене и високог притиска. РЦФЛ106 / 102 и РЦК126 су основни модели са једноставном структуром и широком применом; РЦС130 / 131 и РЦФЛ108 Усвојити дизајн инсталације спољног пречника екструзије како би се осигурало стабилност утора за утробу; РЦК120 / 127 и други слични серијски производи постижу исту поузданост инсталацијом унутрашњег пречника екструзије.
Као одговор на потребе за заптивањем прирубника, РЦФ110 и РЦР118 могу поднијети притисак у оба смера, а смер притиска мора бити наведен приликом наручивања. Линија производа у потпуности обухвата ниско-притисак на услове рада високог притиска, а материјал је отпоран на хабање и отпоран на корозију и широко се користи у хидрауличким системима, цевоводној вези и заптивање на цевоводно и индустријска опрема.
Карактеристике и апликације производа:
Примена: Општа сврха, ИД печата, од заптивача, аксијално бртвљење
Спецификације и жлебови за прстен
Величина наруџбе
Φд1 ...... унутрашњи пречник
Φд2 ...... пречник секције
Примјер наређења
Модел: РЦФЛ106
Пречник одељка у унутрашњем пречнику: 14к1.8
Материјал: НБР
Примена
Притисак изнутра: О-прстен је компримиран из спољног пречника
Притисак споља: О-прстен је компримиран из унутрашњег пречника
О-прстенови имају прецизне толеранције за производњу. Допуштене толеранције су стандардизоване према ДИН3771 и ИСО3601 / 1 (пречник пресјека до 7 мм, унутрашњи пречник до 670 мм). Одговарајуће толеранције приказане су у следећој табели.
| Толеранција од секције | ||||||||
| Одељак | 1.80 | 2.65 | 3.55 | 5.30 | 7.00 | 8.4 | 10.00 | 12.00 |
| Толеранција | ± 0,08 | ± 0,09 | ± 0,10 | ± 0,13 | ± 0,15 | ± 0,18 | ± 0,21 | ± 0,25 |
| Толеранција унутрашњег пречника | ||||||||||
| Унутрашњи пречник | 1,80 ~ 6.30 | 6.70 ~ 11.20 | 11.8 ~ 21.2 | 22.4 ~ 40.0 | 41.2 ~ 80.0 | 82.5 ~ 160 | 165 ~ 300 | 300 ~ 650 | 670 ~ 910 | 910 ~ 1180 |
| Толеранција | ± 0,13 | ± 0,16 | ± 0,19 | ± 0,95 | ± 0,86 | ± 0,78 | ± 0,74 | ± 0,67 | ± 0,60 | ± 0,65 |
| Одговарајући проценат унутрашњег пречника% | ||||||||||
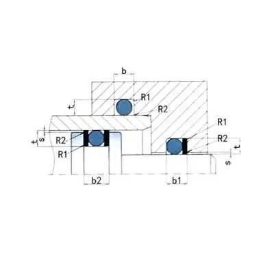
Величина утора
![]() |
||||||||||
| Одељак Д2 | Дубина утора т | Јединица ширине утора: ММ (+0.20) | Радијус Р1 мм | |||||||
| мм | Статички | Динамична (хидраулична) | Динамично (пнеуматско) | б Нема причврсне прстена | Б1 1 Затворени прстен | Б2 2 Затворивање прстенова | ||||
| 1.00 | 0.65 | ± 0,05 | 0.75 | ± 0,02 | 0.80 | ± 0,02 | 1.4 | 2.4 | 3.4 | 0.2.4 |
| 1.50 | 1.05 | 1.20 | 1.25 | 2.0 | 3.0 | 4.0 | 0.2.4 | |||
| 1.80 | 1.30 | 1.45 | 1.55 | 2.4 | 3.4 | 4.4 | 0.2.4 | |||
| 2.00 | 1.50 | 1.65 | 1.75 | 2.7 | 3.7 | 4.7 | 0.2.4 | |||
| 2.50 | 1.95 | 2.10 | 2.20 | 3.4 | 4.9 | 6.4 | 0.2.4 | |||
| 2.65 | 2.05 | 2.25 | 2.35 | 3.6 | 5.1 | 6.6 | 0.2.4 | |||
| 3.00 | 2.40 | 2.55 | 2.70 | 4.2 | 5.7 | 7.2 | 0.2.4 | |||
| 3.50 | 2.80 | ± 0,07 | 3.05 | ± 0,05 | 3.20 | ± 0,05 | 4.8 | 5.3 | 7.8 | 0,3-0.6 |
| 3.55 | 2.85 | 3.10 | 3.25 | 4.8 | 6.3 | 7.8 | 0,3-0.6 | |||
| 4.00 | 3.25 | 3.50 | 3.65 | 5.4 | 6.9 | 8.4 | 0,3-0.6 | |||
| 5.00 | 4.15 | ± 0,10 | 4.45 | 4.65 | 6.8 | 8.8 | 10.8 | 0,3-0.6 | ||
| 5.30 | 4.40 | 4.70 | 4.90 | 7.2 | 9.3 | 11.2 | 0.6-1.0 | |||
| 7.00 | 5.85 | 6.25 | 6.55 | 9.6 | 12.1 | 14.6 | 0.6-1.0 | |||
| 8.40 | 7.10 | 7.50 | 7.90 | 12.9 | 13.4 | 15.6 | 0.6-1.0 | |||











Адреса
Но.1 Руицхен Роад, индустријски парк Донглиутинг, округ Цхенгианг, град Кингдао, провинција Шандонг, Кина
Тел
Е-маил